
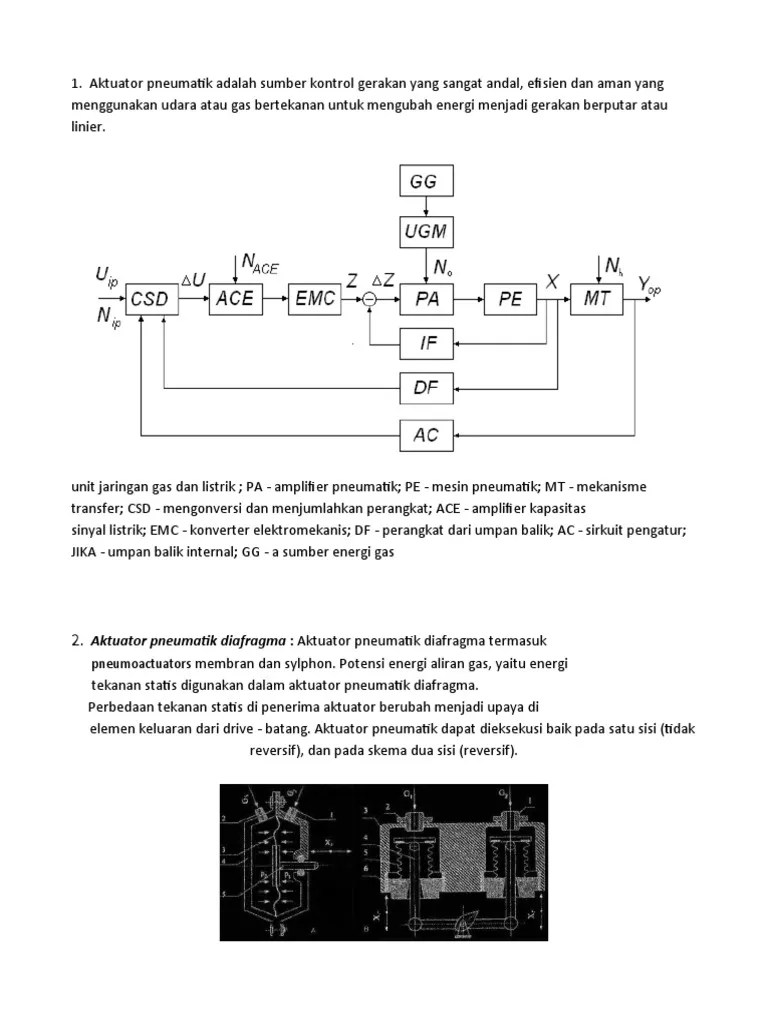
Jenis-Jenis Aktuator Pneumatik (Silinder pneumatik) - Siddix

AKTUATOR | Panglima Otomasi

Aktuator - Definisi, Fungsi, Jenis dan Kelebihan Kekurangan

Jenis-Jenis Aktuator Pneumatik (Silinder pneumatik) - Siddix

Aktuator pneumatik untuk mengotomatiskan proses industri Anda | Omega Valves | Export Worldwide

Aktuator Adalah : Fungsi & Kelebihan dan Kekurangan Aktuator

SILINDER PNEUMATIK | Maswie BloG

Penjelasan Aktuator Elektromekanik, Pneumatik Hidrolik | TEKNIK MEKATRONIKA

Aktuator - Wikipedia bahasa Indonesia, ensiklopedia bebas

Kegiatan Belajar 3 : Mengoperasikan Sistem Aktuator - PDF Free Download

Aktuator Adalah : Fungsi & Kelebihan dan Kekurangan Aktuator

Aktuator Adalah : Pengertian, Fungsi, Kelebihan & Kekurangan | Quora

SILINDER PNEUMATIK | Maswie BloG

Kualitas Terbaik Pneumatik Aktuator Linear - Buy Linear Aktuator Pneumatik,Pneumatik Aktuator Linear,Linear Aktuator Pneumatik Product on Alibaba.com

R-dy technopedia: Aktuator Pneumatik

Apa itu Aktuator Pneumatik? - Berita - Bonwell International Industrial Limited

Five Benefits of Electromechanical Actuators | FIRGELLI

Aktuator Adalah - Pengertian, Komponen, Jenis, Kelebihan & Kekurangan

Aktuator Pneumatik Putar Sudut Dapat Disesuaikan,0-180 Untuk Katup Kupu-kupu Dan Katup Bola - Buy Adjustable Pneumatic Actuator,Sudut Disesuaikan Aktuator,Aktuator Pneumatik Ganda Rotary Product on Alibaba.com

Komponen-komponen Sistem Pneumatik | | Artikel Teknologi Indonesia

Kualitas Tinggi Ganda Bertindak Tabel Udara Rotary Cylinder Aktuator Pneumatik SMC Type MSQB 50A/MSQB 50R dengan Internal Shock Absorber|smc switch|smc adapteractuator electric - AliExpress
MATERI AKTUATOR

Sc Aktuator Pneumatik Aksi Ganda 200x100,Aktuator Pneumatik - Buy Pneumatic Actuator,Silinder,Silinder Product on Alibaba.com

Posisi Tertutup Pneumatic Rotating Actuator / Aktuator Pneumatik Torsi Udara

Dunia Pemrograman | Kata-Kata Mutiara Dan Kata-kata Bijak | Dunia Islami: Jenis Aktuator | Prinsip Kerja Macam-macam Aktuator

Pneumatik Aktuator, Aktuator, Katup Aktuator gambar png

Jenis Aktuator berdasarkan Aplikasi dan Kegunaannya - ETS WORLDS

Jual Tuas Aktuator Pneumatik Tarik Tangan Manual 5 Porst 2 Pos 1/4" - Jakarta Barat - DESTRUCTION PRICE | Tokopedia

Katup Kursi Sudut Plastik Higienis dengan Aktuator Pneumatik, Koneksi Benang / Flange

DN50 3 buah jenis 2 inch stainless steel 304 bola katup dengan aktuator pneumatik model Q611F 16P|ball valve|ball valve 304steel ball valve - AliExpress

Aktuator Pneumatik Bertindak Ganda Kimia Aktuator Pneumatik Pneumatik

Silinder pneumatik Katup solenoid Aktuator pneumatik Silinder hidrolik, lainnya, sudut, lain-lain, Suku cadang otomatis png | PNGWing

Katup solenoid Aktuator pneumatik Silinder pneumatik, lainnya, lain-lain, Mesin hidrolik png | PNGEgg

Flanged Pneumatic Butterfly Valve, Butterfly Valve Dengan Aktuator Pneumatik

Aktuator, Pneumatik Aktuator, Rak Dan Pinion gambar png

Komponen-komponen Sistem Pneumatik | | Artikel Teknologi Indonesia

Cina Disesuaikan Standar Jenis Pneumatik Aktuator Produsen, Pemasok, Pabrik - JUHANG

Pneumatik - Determination

Apa itu Silinder Pneumatik dan Apa saja Kegunaanya ?
![Aktuator Pneumatik - [DOCX Document]](https://i2.wp.com/reader020.staticloud.net/reader020/html5/20190923/55cf8df4550346703b8d0d77/bg3.png)
Aktuator Pneumatik - [DOCX Document]

Pengertian Aktuator - Jenis-Jenis, Kelemahan, Keunggulan serta Fungsi

Cina Disesuaikan Standar Jenis Pneumatik Aktuator Produsen, Pemasok, Pabrik - JUHANG

MAKALAH JENIS-JENIS AKTUATOR ELEKTRONIK, PNEUMATIK DAN HIDROLIK. Disusun sebagai tugas mata kuliah Mekatronika dan Robotika. - PDF Free Download
Rangga Hanif Maula (170401009)

Aktuator Piston Pneumatik - GABRIEL STEVEN SINAGA

Sistem Hidrolik Pneumatic dan Komponen Lengkapnya Disini

Pneumatic actuator Linear actuator Valve Rack dan pinion, rack dan pinion, sudut, lain-lain, aktuator pneumatik png | PNGWing
Aktuator Pneumatik | PDF

0-90 Rak Perjalanan Dan Aktuator Pneumatik Pinion AT-DA140

SILINDER PNEUMATIK | Maswie BloG
pneumatik 6 | Education Quiz - Quizizz

Aktuator Adalah : Fungsi & Kelebihan dan Kekurangan Aktuator

aktuator pneumatik,Murah aktuator pneumatik Pemasok

Simbol & Komponen Pneumatik dan Elektropneumatik (5/5) Aktuator | Belajar Otomasi - YouTube

AKTUATOR. - ppt download

PNEUMATICS, Aktuator, Pneumatik Aktuator gambar png

Prinsip Kerja dan Rangkaian Pneumatic Timer (Timer Delay Valve) | Ajat Didik Budiansyah

Aktuator Pneumatik Tipe 3 Tahap 0 ~ 180,Aktuator Pneumatik Sudut Dapat Disesuaikan - Buy 3 Tahap Pneumatic Actuator,Tipe 3 Pneumatic Actuator Pneumatic Rotary Actuator Product on Alibaba.com
Pengertian Aktuator Solenoid - Samrasyid

Aktuator Adalah : Pengertian, Fungsi, Kelebihan & Kekurangan | Quora

90 Degree Aktuator Pneumatik / Spring Return Aktuator Pneumatik Anti Korosif

Grip pneumatik | ZwickRoell

China Pneumatic Actuator PT Series Produsen, Pemasok, Pabrik - Pricelist & Kutipan Aktuator Pneumatik PT Series - AUTORUN

China Kontrol Aktuator Pneumatik Katup Bola Stainless Steel, Kualitas Tinggi Kontrol Aktuator Pneumatik Katup Bola Stainless Steel di Bossgoo.com

CRJB Mini Rotary Aktuator Pneumatik SMC Type Pneumatic Compressed Air Kompresi Bagian Mini Pneumatic Cylinder Sanmin|actuator pneumatic|pneumatic airmini pneumatic - AliExpress

Cina Pemasok Aktuator Rotary Pneumatik Disesuaikan, Produsen, Pabrik - Sampel Gratis - XINMING

Aktuator linier Hidraulik katup aktuator Pneumatik, Tugas Berbahaya, lain-lain, listrik png | PNGEgg
Rak Aktuator Pneumatik Putar Tipe Pinion Silinder Udara Ganda 20mm Msqb20A | Shopee Indonesia

Perbedaan Sistem Pneumatik dengan Sistem Hidrolik | All Of Life

√Mengenal jenis Transducer, Sensor dan Aktuator (Pengertian dan penjelasannya) - Andalan Elektro

Pneumatik: Pengantar Sistem Pneumatik dan Hidrolik

Cina 1 ‘‘3 Piece Ball Valve Dengan Aktuator Pneumatik Produsen

Aktuator pneumatik seri C Max, motor elektrik | Taiwantrade.com
Latar Belakang Putih Aktuator Pneumatik Foto Stok - Unduh Gambar Sekarang - iStock

What is an Actuator? | Linear Actuators Explained | Firgelli
![fi ? Web viewUntuk menggerakkan aktuator pneumatik dibutuhkan cukup banyak peralatan tambahan seperti kompresor dan electromagnetic valve - [DOCX Document]](https://i0.wp.com/demo.fdokumen.com/img/378x509/reader019/reader/2020032518/5a70e9a67f8b9ab6538c5829/r-1.jpg)
fi ? Web viewUntuk menggerakkan aktuator pneumatik dibutuhkan cukup banyak peralatan tambahan seperti kompresor dan electromagnetic valve - [DOCX Document]

Jenis-Jenis Aktuator Pneumatik (Silinder pneumatik) - Siddix

Aktuator Udara Pneumatik Tekanan Tinggi, Pegas Torsi Udara Aktuator Akting Ganda

Jual Aktuator Pneumatik Merk Viking - PT Citra Makmur Bina Sahabat - Jakarta | Indotrading

Handwheel Manual Aktuator Mengganti Gigi Cacing yang Dapat Dideklarasikan untuk Aktuator Pneumatik

Cina Pneumatik Aktuator Produsen, Pemasok, Pabrik - Massal Disesuaikan Pneumatik Actuator - JUHANG
![Aktuator Pneumatik - [DOCX Document]](https://i0.wp.com/reader020.staticloud.net/reader020/html5/20190923/55cf8df4550346703b8d0d77/bg1.png)
Aktuator Pneumatik - [DOCX Document]

Komponen-komponen Sistem Pneumatik | | Artikel Teknologi Indonesia

Cast Iron Scotch Yoke Pneumatic Actuator, Aktuator Pneumatik Bertindak Tunggal

Kelas Elektronika Industri - Aktuator Part 3 - Aktuator Pneumatik - YouTube

Jenis katup sistem pneumatik dan cara kerjanya - citra desain

AKTUATOR. - ppt download
![]()
DOC) AKTUATOR PNEUMATIK | shon minho - Academia.edu
Art012Da Art020Da Art035Da Art050Da Art075Da Art110Da Art160Da Art255Da Aktuator Pneumatik | Shopee Indonesia

Aktuator Pneumatik Kepala Pemotong Stainless steel ISO9001

Aktuator Tenaga Pneumatik

Cina Butterfly Valve Dengan Aktuator Pneumatik Produsen

Cina Disesuaikan Tunggal Bertindak Pneumatik Rotary Aktuator Pemasok, Produsen, Pabrik - Sampel Gratis - XINMING

Aktuator pneumatik piston Stok Foto, Aktuator pneumatik piston Gambar Bebas Royalti | Depositphotos®

PDF) Aplikasi Aktuator Pneumatik sebagai Simulator Beban Dinamis Vertikal pada Mekanisme Suspensi Roda Kendaraan Seperempat

Jenis Aktuator berdasarkan Aplikasi dan Kegunaannya - ETS WORLDS

Cina GT Pneumatic Actuator Produsen, Pemasok, Pabrik - Harga Murah GT Pneumatic Actuator in Stock - RIHE

China Kontrol Aktuator Pneumatik Katup Bola Stainless Steel, Kualitas Tinggi Kontrol Aktuator Pneumatik Katup Bola Stainless Steel di Bossgoo.com

Pneumatic actuator Valve actuator Linear actuator, lainnya, lain-lain, pneumatik, aktuator pneumatik png | PNGWing

Spesimen grip pneumatik - aktuator tunggal | ZwickRoell